
引言:
提供一系列接口保护器件,主要有HDMI 、 SD卡、 SDI 、USB 、音视频、底部连接器、键盘、CAN bus等等


附图1为部分器件示意结构图


实际应用:
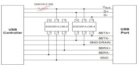
1 . USB应用
|
|
|
|
器件:ESDSRVLC05-4 封装:SOT23-6L |
器件:ESD5V0K5 封装:SOT-363 |

器件:ESD5V0J4 封装:SOT-353 (保护地与信号地间距大于0.0254mm)
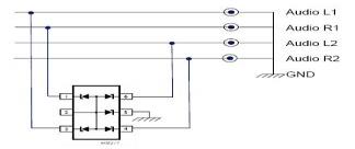
2 . Audio线路的保护

器件:ESD5V0M5 封装:SOT-563

器件:ESDSRVLC05-4 封装:SOT-23-6

器件:ESD5V0AP 封装:SOT-23 或 ESD5V0D3 SOD-323
3 .CAN总线路的保护

车载24V ESD24VAP / SOT-23

I/O线接法
4 . MIC麦克风/话筒的保护

器件: ESD5V0D3 封装:SOD-323 或ESDBLC5V0AP 封装:SOT-23
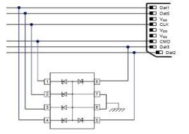
5 .SD卡的保护


器件: ESD5.0VL07 封装:SOIC-08 器件: ESD5V0L4 封装:SOT-553
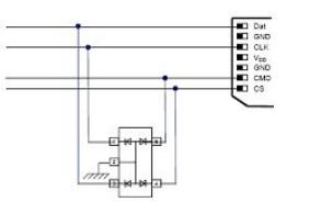
6 .SDI卡的保护

器件: ESDLC5V0D3B 封装:SOD-323
7 .SIM卡的保护

器件: ESDSRVLC05-4
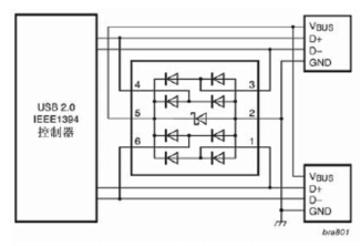
8 .USB3.0接口保护

器件: ESDSRVLC05-4 2PCS
|
型号 |
封装 |
保护通道数 |
VRWM |
IEC61000−4−2(ESD) |
VBR (V) @ IT |
应用 |
|||
|
Type |
package |
Channel |
v |
Air |
Contact |
Min |
Max |
APPLICATIONS |
|
|
ESDLC3V0J4 |
SOT-353 |
4 路 |
3.0 |
+15KV |
+8KV |
5.3 |
5.9 |
工控设备 |
|
|
ESD3V3D7 |
SOD-723 |
1路 |
3.3 |
+30KV |
+30KV |
5.0 |
5.9 |
串口 |
|
|
ESD3V3D5 |
SOD-523 |
1路 |
3.3 |
+30KV |
+30KV |
5.0 |
5.9 |
笔记本 |
|
|
ESD3V3AP |
SOT-23 |
2路 |
3.3 |
+ 15KV |
+8KV |
5.0 |
5.9 |
数码端口 数据接口 |
|
|
ESD3V3D3 |
SOT-323 |
1路 |
3.3 |
+15KV |
+8KV |
5.0 |
5.9 |
||
|
ESD5V0L4 |
SOT-553 |
4路 |
5.0 |
+15KV |
+ 15KV |
6.2 |
7.2 |
工控设备串口 笔记本 USB 安防产品 消费电子 消费电子键盘、USB |
|
|
ESD5V0J4 |
SOT-353 |
4路 |
5.0 |
+ 15KV |
+ 15KV |
6.2 |
7.2 |
||
|
ESD5V0AP |
SOT-23 |
2路 |
5.0 |
+ 15KV |
+8KV |
6.2 |
7.3 |
||
|
ESD5V0M5 |
SOT-563 |
5路 |
5.0 |
+15KV |
+ 15KV |
6.2 |
7.2 |
||
|
ESD5V0D7 |
SOD-723 |
1路 |
5.0 |
+30KV |
+30KV |
6.2 |
7.3 |
||
|
ESD5V0D5 |
SOD-523 |
1路 |
5.0 |
+30KV |
+30KV |
6.2 |
7.3 |
||
|
ESD5V0D3 |
SOD-323 |
1路 |
5.0 |
+ 15KV |
+8KV |
6.2 |
7.3 |
||
|
ESD5V0K5 |
SOT-363 |
1路 |
5.0 |
+15KV |
+ 15KV |
6.2 |
7.2 |
||
|
ESDBLC5V0AP |
SOT-23 |
2 路 |
5.0 |
+ 15KV |
+ 15KV |
6.2 |
7.2 |
光纤数据 |
|
|
ESDSLC5V0D3B |
SOD-323 |
1路 |
5.0 |
+ 15KV |
+ 15KV |
6.2 |
7.2 |
高速数据 |
|
|
ESDSRVLC05-4 |
SOT23-6L |
4路 |
5.0 |
+ 15KV |
+ 15KV |
6.2 |
7.2 |
以太网、高速数据 |
|
|
ESDSR05 |
SOT-143 |
2 路 |
5.0 |
+15KV |
+ 15KV |
6.2 |
7.2 |
二路高速数据 |
|
|
ESD12VAP |
SOT-23 |
2路 |
12 |
+ 15KV |
+8KV |
13.5 |
15.75 |
工控设备 |
|
|
ESD12VD5 |
SOD-523 |
1路 |
12 |
+30KV |
+30KV |
14.1 |
15.7 |
串口 |
|
|
ESD12VD3 |
SOD-323 |
1路 |
12 |
+15KV |
+8KV |
13.5 |
15.75 |
笔记本 |
|
|
ESD12VD7 |
SOD-723 |
1路 |
12 |
+30KV |
+30KV |
13.5 |
15.6 |
汽车电子 |
|
|
ESD12VCP |
SOT-23 |
2路 |
12 |
+ 15KV |
+8KV |
13.3 |
15.75 |
消费电子 |
|
|
型号 |
封装 |
保护通道数 |
VRWM |
IEC61000−4−2(ESD) |
VBR (V)@ IT |
应用 |
||
|
Type |
package |
Channel |
v |
Air |
Contact |
Min |
Max |
APPLICATIONS |
|
ESDSLVU2.8-4 |
SOP-08 |
4路 |
2.8 |
+15KV |
+8KV |
3 |
~ |
以太网专用 |
|
ESDSLVU2.8 |
SOT-23 |
2路 |
2.8 |
+15KV |
+8KV |
3 |
~ |
以太网专用 |
|
ESD5.0VL07 |
SOIC-08 |
7路 |
5.0 |
+15KV |
+8KV |
6 |
VC:9.8 |
RS232 &RS422 LAN/Wan 设备 微型设备 工控 |
|
ESD12VL07 |
SOIC-08 |
7路 |
12.0 |
+15KV |
+8KV |
13.3 |
VC:19.0 |
|
|
ESD15VL07 |
SOIC-08 |
7路 |
15.0 |
+ 15KV |
+8KV |
16.7 |
VC:24.0 |
|
|
ESD24VL07 |
SOIC-08 |
7路 |
24.0 |
+ 15KV |
+8KV |
26.7 |
VC:43.0 |
|
|
ESD24VAP |
SOT-23 |
2路 |
24.0 |
+15KV |
+8KV |
27.8 |
30.3 |
汽车CAN总线
|