










一 . 两轮电动车控制板标准剖析
1.1 GB 42296—2022《电动自行车用充电器安全技术要求》第 1 号修改单
2024 年 11 月 1 日实施。明确了禁用车载形式充电器,增加了充电器溯源编码永久性标识要求及相应试验方法,优化了与其他相关标准的协调性
1.2 GB 43854—2024《电动自行车用锂离子蓄电池安全技术规范》
2024 年 4 月 25 日发布,2024 年 11 月 1 日实施。在单体电池方面明确了过充电、过放电、外部短路、热滥用、针刺、标志 6 项安全要求;电池组方面明确了电气安全、机械安全、环境安全、热扩散、互认协同充电、数据采集、标志等 7 个方面 22 项安全要求
1.3 GB 17761—2018《电动自行车安全技术规范》
现行的电动自行车安全强制性国家标准,限定电动自行车最高车速为 25km/h,含电池在内的整车质量为 55kg 以内,电机功率为 400W 以内等,是电动自行车的基础安全标准,其他相关标准如 GB 42295、GB 42296、GB 43854 等都是在其基础上针对电动自行车的不同方面进行细化和规范
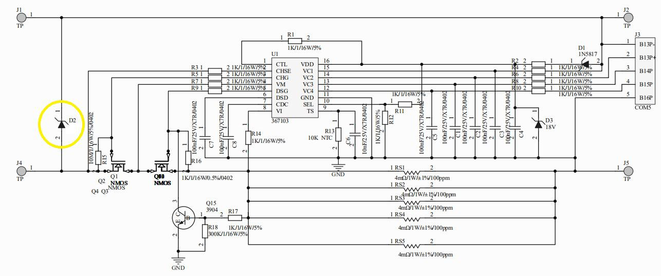
1.4 电源要求
两轮电动车控制板常用电源为48V、60V、72V ,48V电源通常由4节12V电池组成,60V由5节组成,72V由6节组成
新国标规定电动自行车电池额定电压不应超过48V,但符合电摩国标的60V和72V电动车也可合规生产销售。不过,私自改装电压会导致车辆合规性受质疑
1.5 控制功能标准
采用成熟稳定控制算法,实现平稳加速、精准控制与快速响应,同时兼顾能量效率和电池寿命,优化不同负载下的性能
控制器需正确处理踏板、刹车、速度等各类传感器输入信号,精准驱动电机按预期速度和方向运转
具备过流保护功能,防止电流过大损坏电机或电池,触发值和恢复机制依电动车实际情况调整
拥有过压保护、欠压保护和短路保护功能,全方位保障异常情况下电动车和骑乘者的安全
1.6 通信接口标准与环境
支持与充电器通信,实现高效充电管理,保障电池合理充电,延长电池使用寿命
能与仪表盘通信,实时反馈电动车运行状态,如速度、电量等信息,方便用户了解车辆情况
可与智能设备通信,实现远程控制、防盗等智能化功能,提升用户使用体验和车辆安全性
在湿度高达95%的环境中保持性能稳定,具备良好防水能力,适应户外雨天等潮湿环境
可在- 20℃至50℃甚至更广泛的温度范围正常工作,满足不同地区和季节使用需求
能承受电动车行驶过程中的震动和冲击,保证控制器内部元件连接稳固,不影响正常工作
二 两轮电动车控制板EMC相关问题洞察
2.1 EMC标准解读
ECE R10法规和ISO系列标准适用于低压电路,对两轮电动车控制板的电磁辐射和抗干扰能力有严格要求,确保在公共道路行驶时不对其他电子设备产生干扰 (ECE United Nations Economic Commission for Europe)
高压电路,虽然标准化处于早期阶段
传导干扰方面,电源线上的传导干扰会导致控制板工作不稳定,影响电机转速控制精度,甚至使电机出现异常抖动或停止运转
辐射干扰 可能干扰周围电子设备正常工作,如干扰手机信号、影响附近无线通信设备等,降低用户体验
控制板稳定性,导致控制信号传输错误,使电机失控,危及骑乘者安全干扰其他电子设备正常运行,在车辆密集区域可能引发连锁反应,影响公共交通系统的电子设备运行
三 传统方案的痛点审视
3.1 降压芯片耐压与成本矛盾
现实中大量超过120V的尖峰浪涌,若选择耐压超过120V的降压芯片,价格会大幅提高,增加产品成本,压缩利润空间
供应链风险,耐压高、质量可靠的以欧美为主
一般在电源端加5.0SMDJ90CA的瞬态抑制二极管,但其钳位电压会超过120V,在应对尖峰浪涌时效果不佳,无法有效保护电路,增加电路故障风险
四 NR5.0SMDJ90CA物料的优势凸显
与传统5.0SMDJ90CA相比,NR5.0SMDJ90CA的IPP(峰值脉冲功率)高20%以上,能承受更大的瞬态能量冲击,在遇到强浪涌时仍能稳定工作,保护电路不受损坏
Vc残压低20V以上,可有效降低电路中的残余电压,减少对其他电子元件的损害,提高电路稳定性和可靠性

解决行业痛点的原理
凭借更高的IPP,NR5.0SMDJ90CA可更好地吸收和消耗尖峰浪涌能量,避免浪涌对降压芯片等元件造成损坏,确保降压芯片在安全电压范围内工作,更低的残压能有效保护电路中的其他敏感元件,降低因电压过高导致元件损坏的概率,延长控制板使用寿命,降低了电路故障风险,减少维修成本,延长控制板使用寿命,为企业节省成本,提升产品竞争力


浪涌1.2/50,8/20us综合波残压波形如上
半导体TSS,thyristor surge suppressors,或者称为Thyristor Surge Protectors (TSP)
Thyristor Surge Protection Devices (TSPD)


不同于气体放电管GDT,具有如下的V-I特性。

TSS主要应用于电信行业和数据通信的过压保护 ,其应用电路如下:


如今,随着LED在照明电路中的应用扩展,TSS在LED照明电路中,可应用于LED照明电路的开路保护。具体应用方案,请咨询音特技术工程师。
随着LED技术稳定提高,高端主流的工矿灯,隧道灯和标识照明等应用均使用LED照明技术;对于高品质的产品,要求性价比高、对LED失效保护是必不可少,我司针对此方面应用领域开发出P-Thyristor保护管;P-SLED系列产品提供SMA(Do-214AC)、SMB(Do-214AA)紧凑型多样封装,便用生产。
一.产品应用优势:
二.应用说明:
上述应用电路使用的恒流源电源,市场上的大部份恒流电路仅有过压保护,短路保护,过温保护,而就没有开路保护, 当LED灯球串其中一颗开路失效,电路将会生成浪涌电压,使用并联电容很快短路,从而炸坏电容引起火灾等意想不到的失效,严重危及生命危险。
三.LED灯珠串与电压关系:
| 规格 | LED电压 | 电解电容耐压 | 电解电容上限电压 | P-SLED | 
| 3L(3*9V) | 27V | 35V | 43.75V | 27V | 
| 4L | 36V | 50V | 62.5V | 50V | 
| 5L | 45V | 50V | 62.5V | 50V | 
| 6L | 54V | 63V | 78.25 | 64V | 
| 7L | 63V | 80V | 100.0V | 80V | 
| 8L | 72V | 100V | 125.0V | 72V | 
电池组的电源总线需避免受到锂离子电池过电流现象和 ESD 影响,控制线路(如 SMbus,I2C 等)也需要避免受到ESD 的影响,低电压(≤5V)ESD 防护电路如下:
保护方案

| Part number | Working Voltage DC | VC | IR | C | 
| ESD040205P015 | 5V | 30V | 1µA | 0.15pf | 

应用信息:
| Part number | VRWM V | IR µA | VBR(Min) V | IT mA | IPP A | VC V | PPk W | C pF | 
 package | 
| ESDSR05 | 5 | 5 | 6 | 1 | 9.8 | 12 | 500 | 2.5 | SOT-143 | 
本方案符合IEC61000-4-2 air 15KV contact 8KV.
电池组的过流保护使用 YINT 的贴片性 PPTC,封装 0603,0805,1206,1210,1812,2018,2920 等等。ESD 防护可使用分立型的多层压敏电阻,也可以使用二极管阵列。
关于电池组的安全性,满足测试方法:UL 1642 UL 2054 IEC 61960 IEC 62133;关于 ESD防静电保护二极管,满足 IEC 61000-4-2。
需谨慎选用PPTC(自恢复保险丝),以确保过电流装置的性能。 需重点考虑电池组的额定温度,因为该温度将影响过电流保护装置的跳变点和跳闸时间。
注:音特电子研发组(www.yint.com.cn)
BMS 是 BATTERY MANAGEMENT SYSTEM 的第一个字母简称组合,称之谓电池管理系统。为什么锂电池需要 BMS 管理系统? 锂电池存在安全性差,时有发生爆炸等缺陷(详见附录说明)

                        
电池
一种主从结构的 BMS 接线示意(上图)


一.充放电回路中MOS 管的防护电路
BMS 充放电回路中 MOS 管, 开关瞬间电流的突变而产生漏极尖峰电压,进而损坏 MOS 管,功率管开关速度越快,产生的过电压也就越高。为了防止器件损坏,会在 GS 间增加大功率的 TVS瞬态抑制二极管。

MDSG GS 之间 SMCJ15CA

MDSG GS 之间SMCJ36CA
二.CAN BUS 的ESD静电保护

二.RS485 防护器件选择

音特研发组:www.yint.com.cn
引言:
随着全球化的节能减排趋势,LED技术的不断革新;从传统的白炽灯到灯丝上涂了一些电子粉的节能灯,到现在的LED节能灯;世界各大半导体厂商均在不断改进LED器件的能耗、使用寿命、散热问题等等技术;实质上,整个LED照明系统的损坏主要为驱动器的损坏,而现实中众多厂家对驱动电源的稳定性似乎考虑的不够充分!
LED节能产品已经广泛用于工业厂房照明,城市景观、城市照明、窗外广告照明、隧道照明等等!我司结合众多的项目经验,对于目前LED驱动电源的保护做一些简要的介绍:

综合波 8/20US 1.25/50US 低电电网源阻抗,使用等效输入2Ω
试验等级:
特点:室外照明系统的工作环境非常恶劣,容易受到雷电浪涌干扰;驱动电源的损坏,维护成本较高昂。电气特性:要求宽输入电压范围、恒流精度要求高、电流波动小。

优点:它使用了共、差模全方位保护,并且在共差模线上均和放电管串接;正常情况没有漏电流,同时也会延长压敏电阻的使用寿命;一般情况,当压敏电阻发现失效时为开路或爆裂,也不免有特殊情况,压敏电阻短路失效时,放电管将会开路保护电路,否则会引起电路总线跳闸。
它在线上串接了抑制浪涌电流的热敏电阻,这种有利于当电源开关(ON/OFF)切换时,吸收浪涌电流,减少因开关过程的电火花产生,使得恒流精度更高、更稳定。也有利于后级整流稳压电路的器件寿命延长。
缺点:成本相对较高,占一定的空间
优点:它使用了共、差模全方位保护,在共模线上和气体放电管串接入PE保护地;正常情况线与PE线之间没有漏电流,同时也会延长压敏电阻的使用寿命。
它在线上串接了抑制浪涌电流的热敏电阻,这种有利于当电源开关(ON/OFF)切换时,吸收浪涌电流,减少因开关过程的电火花产生,使得恒流精度更高、更稳定。也有利于后级整流稳压电路的器件寿命延长。
缺点:差模线上压敏电阻发生短路失效,增加跳闸的机率
优点:性价比一般、它使用了差模保护,在差模线上和气体放电管串接;正常情况LN线之间没有漏电流,同时 保护地线的项目实施。
它在线上串接了抑制浪涌电流的热敏电阻,这种有利于当电源开关(ON/OFF)切换时,吸收浪涌电流,减少因开关过程的电火花产生,使得恒流精度更高、更稳定。也有利于后级整流稳压电路的器件寿命延长。
缺点:浪涌电压仅靠器件吸收,没有合适泄放能量的地。

优点:性价比高、它使用了差模保护,在差模线上仅用压敏电阻;PCBLayout 不占空间,适合小功率紧凑型电路。
它在线上串接了抑制浪涌电流的热敏电阻,这种有利于当电源开关(ON/OFF)切换时,吸收浪涌电流,减少因开关过程的电火花产生,使得恒流精度更高、更稳定。也有利于后级整流稳压电路的器件寿命延长。
缺点:对于压敏电阻要求比较高,对机壳的阻燃性要求相对较高。

了解更多器件选择可下载文档。
关注微信公众号:音特电子,了解更多保护元器知识。
音特研发组:www.yint.com.cn

此电路涉及到接口的浪涌防护、静电防护、EFT、传导、辐射,可根据测试项目选择使用。
保险丝F1,根据客户工作电流和需过的浪涌等级选择,可使用一次性保险丝或PPTC。 
肖特基二极管做防反使用,无要求可去掉。 
TVS瞬态抑制二极管,可选择单向或者双向,注意使用单向TVS的话,如果有防反要求,后面的肖特基或者其 他防反二极管必须防止在TVS前面,且选择的肖特基二极管必须要高压大电流的。
| 电源电压 | TVS推荐 | 
| 5V | SMBJ6.0A/CA | 
| 12V | SMBJ15A/CA | 
| 15V | SMCJ18A/CA | 
| 24V | SMDJ28A/CA | 
| 36V | SMDJ43A/CA | 
| 48V | 5.0SMDJ58A/CA | 
注:TVS的功率根据需要过的浪涌等级选择,TVS电压根据后 面电路或者元器件的耐受电压选择。

特点:此电路涉及到接口的浪涌防护、静电防护、EFT、传导、辐
射,可根据测试项目选择使用。
二级保护,气体放电管做粗保护,(如果有绝缘耐压要求则气
放管选型需注意),TVS 做细保护,用空心电感 L1 退藕,浪涌
的残压很低,保险丝 F 是为了让气放管或者 TVS 短路失效后
断开电 路,以防止短路电流过大造成火灾,所有器件的选型需根
据放浪涌的等级及客户的电路具体分析。
| 额定电压 | GDT | TVS | 
| DC 5V | 3R090L | SMBJ6.5CA | 
| DC 12V | 3R090L | SMCJ15CA | 
测试波形:
以 DC12V 为例,±6KV 测试:


电路涉及到接口的浪涌防护、静电防护、EFT、传导、辐射,可根据测试项目选择使 用。 二级保护,压敏电阻和气体放电管做粗保护,(如果有绝缘耐压要求则气放管选型需注意),TVS 做细保护,用空心电感 L1 退藕,浪涌的残压很低,保险丝 F 是为了让压敏电阻,气体放电管放管 或者 TVS 短路失效后断开电路,以防止短路电流 过大造成火灾,所有器件的选型需根据放浪 涌的等级及客户的电路具体分析。
| 额定电压 | MOV | GDT | TVS | 
| DC 15V | 20D820K | 2R090L | SMCJ18CA | 
| DC 18V | 20D820K | 2R090L | SMCJ24CA | 
| DC 24V | 20D820K | 2R090L | SMDJ28CA | 
| DC 36V | 20D820K | 2R090L | SMDJ43CA | 
| DC 48V | 20D820K | 2R090L | 5.0SMDJ58CA | 

此电路涉及到接口的浪涌防护、静电防护、EFT、传导、辐射,可根据测试项目选择使用。 
TVS 需要大功率的 TVS,贴片的如 SM8S 系列,插件的 5KP,15KP 系列 。
气体放电管如果无绝缘耐压要求,选择 90V 的,如果有选择高压(2 倍绝缘耐压值)的气放管。
此电路涉及到接口的浪涌防护、静电防护、EFT、传导、辐射,可根据测试项目选择使用。
关注公众号:音特电子,轻松了解。
关键词:TVS、PPTC、GDT、肖特基二极管、压敏电阻。
太阳能发电是利用电池组件将太阳能直接转变为电能的装置。太阳能电池组件(Solar cells)是利用半导体材料的电子学特性实现P-V转换的固体装置,在广大的无电力网地区,该装置可以方便地实现为用户照明及生活供电,一些发达国家还可与区域电网并网实现互补。目 前从民用的角度,在国外技术研究趋于成熟且初具产业化的是"光伏--建筑(照明)一体化"技术,而国内主要研究生产适用于无电地区家庭照明用的小型太阳能发电系统。
太阳能发电系统主要包括:太阳能电池组件(阵列)、控制器、蓄电池、逆变器、用户即照明负载等组成。

太阳能发电系统需能承受过载、短路或电压瞬变(雷击、ESD等),并且需要保护元件达到规定标准或确保可靠的电路运行。

太阳能电池按照12V或24V的额定输出电压排列成组。 雷击为主要危害。 安装时须注意电池正负极的正确连接,以及是否有已损坏的太阳能电池。
TVS瞬态抑制二极管:24V电路面板须使用5KP30A。
保险丝:额定电流须匹配电池面板的最大输出功率。
| Part number | VR | VBR | IR | P | 
| 5KP30A | 30V | 33.3-36.8V | 1µA | 5000W | 
控制器,电池组,逆变器也需要根据额定的电流匹配保险丝,具体可咨询音特电子。
关键词:TVS瞬态抑制二极管、保险丝。


采用复合对称电路,共模、差模全保护,L、N 可以随便接,正常工作时无漏电流。
① 压敏电阻 RV1 短路失效后易引起火灾,可在每个压敏电阻串接陶瓷气体放电管、温度保险管, 最好串联工频保险丝以防工频过电压瞬间击穿压敏电阻起火;
② 选压敏电压高一点的更安全、耐用,故障率低,但残压略高;根据通流容量要求选择外形尺寸和封装形式,或采用几个压敏电阻并联(压敏电压相近)。

③ 陶瓷气体放电管失效模式大多为开路,不易引起火灾,当两者同时短路时亦会有危险;根据要求的通流容量选择,气体放电管和压敏电阻都必须按照冲击 10 次以上的降额值计算通流容量(压敏电阻为一次冲击通流容量的三分之一左右,气体放电管为最大通流容量的一半左右)。
④ 温度保险管应与压敏电阻有良好的热耦合,一般采用 130℃~135℃、10A/250V 的;
⑤ 玻璃放电管可代替陶瓷气体放电管(当要求的通流容量≤3KA 时)
⑥ 输出电流较大时,要在线上串联自恢复保险丝 PTC。





此串联电路的单边即为并联模式电路,空心电 感 L≥20μH,导线直径应按负载电流计算。
温度保险管可置换为陶瓷气体或玻璃放电管、 工频保险丝,压敏电阻也可置换为 TVS二极管。
如有问题,可通过网站联系技术人员(www.yint.com.cn)