









引言:
提供一系列接口保护器件,主要有HDMI 、 SD卡、 SDI 、USB 、音视频、底部连接器、键盘、CAN bus等等


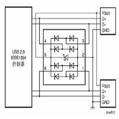
附图1为部分器件示意结构图


实际应用:
1 . USB应用
|
|
|
|
器件:ESDSRVLC05-4 封装:SOT23-6L |
器件:ESD5V0K5 封装:SOT-363 |

器件:ESD5V0J4 封装:SOT-353 (保护地与信号地间距大于0.0254mm)
2 . Audio线路的保护

器件:ESD5V0M5 封装:SOT-563

器件:ESDSRVLC05-4 封装:SOT-23-6

器件:ESD5V0AP 封装:SOT-23 或 ESD5V0D3 SOD-323
3 .CAN总线路的保护

车载24V ESD24VAP / SOT-23

I/O线接法
4 . MIC麦克风/话筒的保护

器件: ESD5V0D3 封装:SOD-323 或ESDBLC5V0AP 封装:SOT-23
5 .SD卡的保护


器件: ESD5.0VL07 封装:SOIC-08 器件: ESD5V0L4 封装:SOT-553
6 .SDI卡的保护

器件: ESDLC5V0D3B 封装:SOD-323
7 .SIM卡的保护

器件: ESDSRVLC05-4
8 .USB3.0接口保护

器件: ESDSRVLC05-4 2PCS
|
型号 |
封装 |
保护通道数 |
VRWM |
IEC61000−4−2(ESD) |
VBR (V) @ IT |
应用 |
|||
|
Type |
package |
Channel |
v |
Air |
Contact |
Min |
Max |
APPLICATIONS |
|
|
ESDLC3V0J4 |
SOT-353 |
4 路 |
3.0 |
+15KV |
+8KV |
5.3 |
5.9 |
工控设备 |
|
|
ESD3V3D7 |
SOD-723 |
1路 |
3.3 |
+30KV |
+30KV |
5.0 |
5.9 |
串口 |
|
|
ESD3V3D5 |
SOD-523 |
1路 |
3.3 |
+30KV |
+30KV |
5.0 |
5.9 |
笔记本 |
|
|
ESD3V3AP |
SOT-23 |
2路 |
3.3 |
+ 15KV |
+8KV |
5.0 |
5.9 |
数码端口 数据接口 |
|
|
ESD3V3D3 |
SOT-323 |
1路 |
3.3 |
+15KV |
+8KV |
5.0 |
5.9 |
||
|
ESD5V0L4 |
SOT-553 |
4路 |
5.0 |
+15KV |
+ 15KV |
6.2 |
7.2 |
工控设备串口 笔记本 USB 安防产品 消费电子 消费电子键盘、USB |
|
|
ESD5V0J4 |
SOT-353 |
4路 |
5.0 |
+ 15KV |
+ 15KV |
6.2 |
7.2 |
||
|
ESD5V0AP |
SOT-23 |
2路 |
5.0 |
+ 15KV |
+8KV |
6.2 |
7.3 |
||
|
ESD5V0M5 |
SOT-563 |
5路 |
5.0 |
+15KV |
+ 15KV |
6.2 |
7.2 |
||
|
ESD5V0D7 |
SOD-723 |
1路 |
5.0 |
+30KV |
+30KV |
6.2 |
7.3 |
||
|
ESD5V0D5 |
SOD-523 |
1路 |
5.0 |
+30KV |
+30KV |
6.2 |
7.3 |
||
|
ESD5V0D3 |
SOD-323 |
1路 |
5.0 |
+ 15KV |
+8KV |
6.2 |
7.3 |
||
|
ESD5V0K5 |
SOT-363 |
1路 |
5.0 |
+15KV |
+ 15KV |
6.2 |
7.2 |
||
|
ESDBLC5V0AP |
SOT-23 |
2 路 |
5.0 |
+ 15KV |
+ 15KV |
6.2 |
7.2 |
光纤数据 |
|
|
ESDSLC5V0D3B |
SOD-323 |
1路 |
5.0 |
+ 15KV |
+ 15KV |
6.2 |
7.2 |
高速数据 |
|
|
ESDSRVLC05-4 |
SOT23-6L |
4路 |
5.0 |
+ 15KV |
+ 15KV |
6.2 |
7.2 |
以太网、高速数据 |
|
|
ESDSR05 |
SOT-143 |
2 路 |
5.0 |
+15KV |
+ 15KV |
6.2 |
7.2 |
二路高速数据 |
|
|
ESD12VAP |
SOT-23 |
2路 |
12 |
+ 15KV |
+8KV |
13.5 |
15.75 |
工控设备 |
|
|
ESD12VD5 |
SOD-523 |
1路 |
12 |
+30KV |
+30KV |
14.1 |
15.7 |
串口 |
|
|
ESD12VD3 |
SOD-323 |
1路 |
12 |
+15KV |
+8KV |
13.5 |
15.75 |
笔记本 |
|
|
ESD12VD7 |
SOD-723 |
1路 |
12 |
+30KV |
+30KV |
13.5 |
15.6 |
汽车电子 |
|
|
ESD12VCP |
SOT-23 |
2路 |
12 |
+ 15KV |
+8KV |
13.3 |
15.75 |
消费电子 |
|
|
型号 |
封装 |
保护通道数 |
VRWM |
IEC61000−4−2(ESD) |
VBR (V)@ IT |
应用 |
||
|
Type |
package |
Channel |
v |
Air |
Contact |
Min |
Max |
APPLICATIONS |
|
ESDSLVU2.8-4 |
SOP-08 |
4路 |
2.8 |
+15KV |
+8KV |
3 |
~ |
以太网专用 |
|
ESDSLVU2.8 |
SOT-23 |
2路 |
2.8 |
+15KV |
+8KV |
3 |
~ |
以太网专用 |
|
ESD5.0VL07 |
SOIC-08 |
7路 |
5.0 |
+15KV |
+8KV |
6 |
VC:9.8 |
RS232 &RS422 LAN/Wan 设备 微型设备 工控 |
|
ESD12VL07 |
SOIC-08 |
7路 |
12.0 |
+15KV |
+8KV |
13.3 |
VC:19.0 |
|
|
ESD15VL07 |
SOIC-08 |
7路 |
15.0 |
+ 15KV |
+8KV |
16.7 |
VC:24.0 |
|
|
ESD24VL07 |
SOIC-08 |
7路 |
24.0 |
+ 15KV |
+8KV |
26.7 |
VC:43.0 |
|
|
ESD24VAP |
SOT-23 |
2路 |
24.0 |
+15KV |
+8KV |
27.8 |
30.3 |
汽车CAN总线
|
BNC 视频接口保护
DVI 接口保护
TV side panel
一 . BNC 视频接口防雷保护
共模二极保护 (指视频同轴电缆离高压线或易受直击雷传导介质距离在 50 米内的设备保护)
|
器件型号 |
封装 |
尺寸mm |
结电容.典型值 |
ESD robustness (IEC61000-4-2) |
备注 |
|
2R075L |
Dip D=6mm |
5.5*6.0 |
0.8PF |
2.5KA /8/20US |
直插气体放电管GDT 注:A |
|
GDT/SMD1812-091 |
4532/1812 |
4.5*3.2 |
0.6PF |
2KA /8/20US |
贴片气体放电管GDT 注:A |
|
SMD1206-010 |
3016/1206 |
3.0*1.6 |
IH:100mA |
自恢复保险丝 |
|
|
INT.P0800SB-L |
SMB |
4.5*3.2 |
30PF |
80A |
放电管 |
1. GDT 为陶瓷气体放电管,做共模保护,保证前端的瞬间高压的保护作用,它能将高浪涌电压处理到 90V 左右,这样有利于第二次处理。
选插件:2RX090L-8,它具有 P 秒级动作速度,动作电压:72V~108V,级间电容为小于 1PF(1MHZ 下)
选贴片:SMD1812-091,它具有 P 秒级动作速度,动作电压:63V~117V,级间电容为小于 1PF(1MHZ 下)
2. PPTC 是指提供的自恢复保险丝,它能有效防止雷击产生的感应电流或者因接口接插过程产生的电流异常,对后端进行隔离保护, 电流异常结束后, 自恢复保险丝将恢复正常工作。其重要一点,它可以协同第一级气放电管与第二级 TVS 的动作时间,也称为:耦合保护
一般情况选型为:SMD1206-012L(60V 125mA Case:1206 贴片),它内阻范围为: 1.5~3.6Ω, 若有特殊的视频驱动芯片,则要考虑内阻的影响。
3. Thristor 为细保护,它将前级尚未处理的浪涌完成二次处理,让残留的浪涌电压足够小,以致于保护视频解码等相关电路。
器件选择:INT.P0080SB-L 低残压型
二 . DVI 接口保护
我们提供ESD保护器件,分立和集成式的,在通常视频产品设备上,很容易Layout给DVI 接口的保护。如:YC输入,YPbPr,音频L / R ,RGB等,对于A / V接口,我们推荐综合解决方案
ESDSRLC05-4 或 ESD0524P。
|
器件型号 |
封装 |
尺寸mm |
结电容.典型值 |
ESD robustness (IEC61000-4-2) |
备注 |
|
ESDSRVLC05-4 |
SOT-23-6L |
2.92*2.82*0. 4 |
0.35 PF |
C:+ 12KV A:+ 17KV |
LC低电容 |
|
ESD0524P |
DNF-10-2.5-1.0 |
2.5*1.0*0.6 |
0.35PF |
C:+ 10KV A:+ 15KV |
三 . TV side panel
对于设计VGA输入接口PC的视频输出,DVD 、机顶盒等视频设备,这些集成式器件结合ESD保护和同步信号缓冲特点,我们的推荐的ESDSRLC05-4或ESD5V0D8.
|
器件型号 |
封装 |
尺寸mm |
结电容.典型值 |
ESD robustness (IEC61000-4-2) |
备注 |
|
ESDSRVLC05-4 |
SOT-23-6L |
2.92*2.82*0 .4 |
0.35 PF |
C:+ 12KV A:+ 17KV |
LC低电容 |
|
ESD5V0D8 |
SOD-882 |
1.0*0.6*0.5 |
0.35PF |
C:+ 10KV A:+ 10KV |
SOD-882
|

对于HDMI 1.3 ,仅有0.3PF 的超低电容静电保护设备
HDMI 简介:
高分辨率多媒体接口(HDMI)是一种无压缩的全数字音频/视频接口。它为视频/音频源设备与接收设备间提供了高速接口,如连接DVD机和数字显示器。现在的HDMI硅片的数字信号传输速度可达到
10.2Gbps。电路制造商持续不断地缩小它们的器件中的晶体管、互连和绝缘层的最小尺寸,从而使高速器件的结构更小,最终导致器件在较低的能级也更易于因击穿效应而损坏。
HDMI接口即是一种易受瞬间破坏的外接端口,用于连接用户端或带电电缆。HDMI接口的内部ESD保护不足以使图像芯片免受破坏。为了确保该端口的性能,消费电子制造商们需要加强HDMI端口的ESD性能,即如何在满足 HDMI兼容性测试规范(CTS)的信号完整性和阻抗要求的同时,根据全球认同的ESD标准
IEC61000-4-2硬化HDMI端口。
ESD 简介:
ESD 是代表英文ElectroStatic Discharge 即"静电放电"的意思。ESD 是本世纪中期以来形成的以研究静电的产生与衰减、静电放电模型、静电放电效应如电流热(火花)效应(如静电引起的着火与爆炸)及和电磁效应(如电磁干扰)等的学科。在高速接口电路设计中,对静电放电的电磁场效应如电磁干扰(EMI)及电磁兼容性(EMC) 问题越来越重视。这种突然放电可能是由于直接接触或静电场的产生而引起的。尽管ESD 对人体的伤害并不多见,但对敏感电子器件却是致命的。HDMI 图像芯片采用几何尺寸非常小的硅片制造,对ESD非常敏感。大多数这类图像芯片内部均集成了ESD 保护;但是,这种措施仅能提供受控制造环境中的保护[1] 。在现实世界中,用户经常接触像HDMI 这类接口,因此会引起ESD 。IEC61000-4-2 标准中定义了各种破坏程度。当人在地毯上行走时,累积电压15KV 是很常见的。ESD 容易损坏甚至摧毁内部集成电路。
ESD0524P for HDMI
IEC61000-4-2 标准参考人体模型(HBM),效仿人体的各种ESD 现象。IEC61000-4-2 分为四种测试程度,消费电子一般根据IEC61000-4-2 规范的第四级测试:8KV 接触和15KV空气。尽管ESD 脉冲持续时间短,其电压和电流幅度足以破坏敏感的IC。该标准相关的波形如下图

Figure 1 ESD pulse waveform according to IEC 61000-4-2
3 . HDMI的ESD保护要求
— 非常高的二极管开关速度(纳秒级)和超低线电容(<1pF)可以确保信号完整性; — 经受若干次ESD 冲击之后,ESD 保护性能没有退化;
— 即使经过几百次ESD 放电之后,泄漏保持为低;
— 以小的占位面积实现最高的集成度;
— PCB 层面的RF 布线优化封装;
— 完全符合HDMI 1.3 规范要求;
可以直接使用于2对100欧的差分阻抗信号线 ,无论它的板式 ,层数,厚度以及电路板的材质 ,对于促进高速快效电路设计,ESD0524P 这种小型无铅且只有0.5mm间矩封装 非常适合于流线布局 ,这种紧密间矩的封装设计 可以帮助减小布线的不连续性及增加共模噪声抑制 。
对于流线型高速信号线设计 和满足信号线阻抗要求 ,ESD0524P 的特殊设计 提供了ESD 的4线保护要求 ,符合IEC61000-4-2 ESD标准(±8KV CONTACT ESD 和 ±15KV Air ESD) , 同时提供卓越的嵌位电压特性 ,减少HDMI芯片的过压应力 ,提高HDMI 整体系统的可靠性 !

Figure 2 Flow-through layout of YINT‘S ESD0524P for HDMI Applications
测试结果和建议 :
这种低电容 ,低嵌位电压 ,和低操作电压 ,再加上它的独特封装设计 ,使它成为一个卓越的HDMI应用保护装置 ,ESD0524P ’S TDR and eye pattern performance Figure 3 、Figure 4
respectively, show the TDR results on 4-layer and 2-layer HDMI evaluation boards. Both results show that the TDR has met, and is well within, the HDMI CTS requirement (100 Ohm ± 15% for differential impedance).

Figure 3: ESD0524P 4-Layer HDMI TDR Result

Figure 4: ESD0524P 2-Layer HDMI TDR Result

Figure 5: ESD0524P HDMI Eye Pattern Result (1.48Gbps)

Figure 6: ESD0524P HDMI Eye Pattern Result (2.25Gbps)
Absolute Maximum Ratings
|
Parameter |
Symbol |
Value |
Units |
|
Peak Current (tp =8/20 μs) |
PPK |
150 |
W |
|
Peak Current (tp =8/20 μs) |
IPP |
5 |
A |
|
IEC61000-4-2 (Contact) |
VESD |
12 |
kV |
|
IEC61000-4-2 (Air) |
VESD |
15 |
kV |
|
Lead Soldering Temperature |
TL |
260 (10 sec) |
°C |
|
Operating Temperature |
TJ |
-50 to + 125 |
°C |
|
Storage Temperature Range |
TSTG |
-50 to + 150 |
°C |
Electrical Characteristics (T =25 °C)
|
Parameter |
Symbol |
Conditions |
Min. |
Typ. |
Max. |
Units |
|
Reverse Stand-off Voltage |
VRWM |
Any I/O pin to ground |
5 |
V |
||
|
Reverse Breakdown Voltage |
VBR |
It = 1mA Any I/O pin to ground |
6 |
V |
||
|
Reverse Leakage Current |
IR |
VRWM =5.0V, T=25℃ Any I/O pin to ground |
1 |
μA |
||
|
Clamping Voltage |
VC |
IPP = 1A, tP = 8/20μs Any I/O pin to ground |
8.5 |
12 |
V |
|
|
Junction Capacitance |
CJ |
VR=0V, f = 1MHz Between I/0 pins |
0.35 |
pF |
|
DFN-10-2.5*1.0*0.6-0.5 (1) |
|
![]() |
![]() |
![]() |
|
|
DFN-10-2.5*1.0*0.6-0.5 (2) |
|
![]() ![]() |
|
USB2.0 端口常用于提供电源,并经常为外设以及便携电子产品充电。
根据 USB2.0 标准,USB 的电源应当在 4.75V 至 5.25V 之间,提供至少为 0.5A 的连续电流。
USB2.0典型的故障包:感应式尖峰电压、连接到高电压充电器上(用户操作失误)、连接到供电质量遭受污染的电源。
感应发生的电压尖峰值可以超过 8V ,并损坏未采取保护措施的外设。尖峰电压现象发生在电源总线上存在一定的电感且电流发生了快速变化的情况下。
电流的快速改变可能来自于外设热插拔、内部系统关机、或其它内部供电波动现象。
简而言之,USB 设备可能承受超过 5V 的电压,应当针对这种情况采取保护措施。


附件:音特电子USB2.0接口电路保护方案
关注公众号:音特电子,轻松了解。
关键词:USB2.0保护方案、ESDSRV05-4、ESDSR05。
USB3.0
—— 也被认为是 Super Speed USB;
——为那些与 PC 或音频/高频设备相连接的各种设备提供了一个标准接口。
新的 USB 3.0在保持与 USB 2.0的兼容性的同时,还提供了下面的几项增强功能:
● 极大提高了带宽——高达5Gbps 全双工(USB2.0则为480Mbps 半双工);
● 实现了更好的电源管理;
● 能够使主机为器件提供更多的功率,从而实现 USB——充电电池、LED 照明和迷你风扇等应用;
● 能够使主机更快地识别器件;
● 新的协议使得数据处理的效率更高。
针对USB3.0 /5G速率的要求,音特电子YINT设计并生产的ESD0524P, DFN-10-2.5x1.0x0.6-0.5 封装,电容量在0.6PF,超小空间特性,可以满足4路线保护。
音特ESD0524P符合下述标准:
| 标准 | 值 |
| IEC 61000-4-2 (ESD) | ±15kV (air),±12kV (contact) |
| IEC 61000-4-5 (Lightning) | 5A (8/20μs) |
| IEC 61000-4-4 (EFT) | 40A (5/50ns) |
| Operating Temperature | - 55 to +125 °C |
| Storage Temperature | - 55 to +150 °C |

附件:音特电子USB3.0接口电路保护方案
关注公众号:音特电子,轻松了解。
关键词:USB3.0接口保护、ESD0524P。
高分辨率多媒体接口(HDMI)是一种无压缩的全数字音频/视频接口。它为视频/音频源设备与接收设备间提供了高速接口,如连接DVD机和数字显示器。现在的HDMI硅片的数字信号传输速度可达到10.2Gbps。电路制造商持续不断地缩小它们的器件中的晶体管、互连和绝缘层的最小尺寸,从而使高速器件的结构更小,最终导致器件在较低的能级也更易于因击穿效应而损坏。
HDMI接口即是一种易受瞬间破坏的外接端口,用于连接用户端或带电电缆。HDMI接口的内部ESD保护不足以使图像芯片免受破坏。为了确保该端口的性能,消费电子制造商们需要加强HDMI端口的ESD性能,即如何在满足 HDMI兼容性测试规范(CTS)的信号完整性和阻抗要求的同时,根据全球认同的ESD标准IEC61000-4-2硬化HDMI端口。

ESD 是代表英文ElectroStatic Discharge 即"静电放电"的意思。ESD 是本世纪中期以来形成的以研究静电的产生与衰减、静电放电模型、静电放电效应如电流热(火花)效应(如静电引起的着火与爆炸)及和电磁效应(如电磁干扰)等的学科。在高速接口电路设计中,对静电放电的电磁场效应如电磁干扰(EMI)及电磁兼容性(EMC)问题越来越重视。这种突然放电可能是由于直接接触或静电场的产生而引起的。尽管ESD 对人体的伤害并不多见,但对敏感电子器件却是致命的。HDMI 图像芯片采用几何尺寸非常小的硅片制造,对ESD非常敏感。大多数这类图像芯片内部均集成了ESD 保护;但是,这种措施仅能提供受控制造环境中的保护[1]。在现实世界中,用户经常接触像HDMI 这类接口,因此会引起ESD。
IEC61000-4-2 标准中定义了各种破坏程度。当人在地毯上行走时,累积电压15KV 是很常见的。ESD 容易损坏甚至摧毁内部集成电路。

IEC61000-4-2 标准参考人体模型(HBM),效仿人体的各种ESD现象。IEC61000-4-2 分为四种测试程度,消费电子一般根据IEC61000-4-2 规范的第四级测试:8KV 接触和15KV空气。尽管ESD 脉冲持续时间短,其电压和电流幅度足以破坏敏感的IC。该标准相关的波形如下图:

Figure 1 ESD pulse waveform according to IEC 61000-4-2
— 非常高的二极管开关速度(纳秒级)和超低线电容(<1pF)可以确保信号完整性;
— 经受若干次ESD静电冲击之后,ESD静电保护性能没有退化;
— 即使经过几百次ESD静电放电之后,泄漏保持为低;
— 以小的占位面积实现最高的集成度;
— PCB 层面的RF 布线优化封装;
— 完全符合HDMI 1.3 规范要求;
可以直接使用于2对100欧的差分阻抗信号线 ,无论它的板式 ,层数,厚度以及电路板的材质 ,对于促进高速快效电路设计,ESD0524P 这种小型无铅且只有0.5mm间矩封装 非常适合于流线布局 ,这种紧密间矩的封装设计 可以帮助减小布线的不连续性及增加共模噪声抑制 。
对于流线型高速信号线设计 和满足信号线阻抗要求 ,ESD0524P的特殊设计 提供了ESD 的4线保护要求 ,符合IEC61000-4-2 ESD标准(±8KV CONTACT ESD 和 ±15KV Air ESD) , 同时提供卓越的嵌位电压特性 ,减少HDMI芯片的过压应力 ,提高HDMI 整体系统的可靠性 !
Figure 2 Flow-through layout of YINT‘S ESD0524P for HDMI Applications
这种低电容 ,低嵌位电压 ,和低操作电压 ,再加上它的独特封装设计 ,使它成为一个卓越的HDMI应用保护装置 ,ESD0524P’S TDR and eye pattern performance Figure 3 、Figure 4
respectively, show the TDR results on 4-layer and 2-layer HDMI evaluation boards. Both results show that the TDR has met, and is well within, the HDMI CTS requirement (100 Ohm ± 15% for differential impedance).

Figure 3: ESD0524P 4-Layer HDMI TDR Result Figure 5: ESD0524P HDMI Eye Pattern Result
(1.48Gbps)

Figure 4: ESD0524P 2-Layer HDMI TDR Result Figure 6: ESD0524P HDMI Eye Pattern Result
(2.25Gbps)
关注微信公众号:音特电子 了解更多电路保护元器件信息
音特研发组:www.yint.com.cn
IEEE1394接口是苹果公司开发的串行标准,俗称火线接口(firewire)。
同USB一样,IEEE1394也支持外设热插拔,可为外设提供电源,省去了外设自带的电源,能连接多个不同设备,支持同步数据传输。
广泛应用于局域多媒体互连,如PC,摄像机,录像机,打印机,扫描仪等的互连。
IEEE1394规定的电缆是6芯线,电缆外层有一层总屏蔽,其中有两对屏蔽双绞线,一对用于传送数据,另一对用于传送时钟信号。一对电源线,为总线上处于等待方式的设备供电,或者直接给低功耗外围设备供电。
掌上设备使用的更软的线,去掉了电源线,使用4芯接口。
IEEE 1394使用低电压差分信号系统(工作电压介于1.20V至2.00V之间),最大数据传输率为400 Mbps(1394a)至1,600 Mbps(1394b)。 到达该数据传输率范围时,应最小化抑制器的电容量。
需避免受到 ESD 影响的信号线路包括:TPA+、TPA-、TPB+和TPB-。
同时也需要防止30VDC电源总线受到ESD和过电流的危害。
实际使用中 Ethernet 接口是一个125 MHz 的时钟频率,工作为2 V 数字电平信号。
产品在室内、短通讯数据线应用,因此从以太网接口输入需要防护的通常是 ESD 的威胁。
一.千兆网络静电保护
使用音特电子ESD0524P/ESDVLC05-4等ESD器件,电容低至0.35pF,进行4线保护。
符合标准:IEC 61000-4-2 Level 4 (Contact: 12 kV Air: 17 kV)
优点:提供高速数据传输需要,无信号损失、不影响速率
附件:音特电子以太网接口电路保护方案
引言:
音特电子 提供一系列接口保护器件,主要有HDMI、SD卡、SDI、USB、音视频、底部连接器、键盘、CANbus等等......



ESD静电保护元器件:ESDSRVLC05-4 封装:SOT23-6L

ESD静电保护元器件:ESD5V0K5 封装:SOT-363

ESD静电保护元器件:ESD5V0J4 封装:SOT-353 (保护地与信号地间距大于0.0254mm)
ESD静电保护元器件:ESDSRVLC05-4 封装:SOT-23-6


2.Audio线路的保护
ESD静电保护元器件:ESD5V0M5 封装:SOT-563
ESD静电保护元器件:ESD5V0AP 封装:SOT-23 或 ESD5V0D3 SOD-323



3.CAN总线路的保护
车载24V ESD24VAP / SOT-23

I/O线接法:

4. MIC麦克风/话筒的保护
ESD静电二极管器件:ESD5V0D3封装:SOD-323或ESDBLC5V0AP 封装:SOT-23

5. SD卡的保护
ESD静电二极管器件:ESD5.0VL07封装:SOIC-08
ESD静电二极管器件: ESD5V0L4封装:SOT-553 或ESDLC5V0D3B封装:SOD-323

6. SDI卡的保护
ESD静电二极管器件:ESDLC5V0D3B封装:SOD-323

7. SIM卡的保护
ESD防静电二极管:ESDSRVLC05-

8. USB3.0接口保护
ESD防静电二极管:ESDSRVLC05-4 2PCS



关注公众号:音特电子,轻松了解。
关键词:接口保护、ESD防静电二极管。