

直流电机驱动保护方案
直流电机
直流电机(direct current machine) 是指能将直流电能转换成机械能或将机械能转换成直流电能(直流发电机) 的旋转电机。


特点
· 起动和调速性能好 ,调速范围广平滑 ,过载能力较强,受电磁干扰影响小;
· 直流电机具有良好的启动特性和调速特性;
· 直流电机的转矩比较大 ;
· 维修比较便宜;
· 直流电机的直流相对于交流比较节能环保;
钕铁硼磁铁(NdFeB magnet) 电机新材料的大量应用 ,无刷电机 BLDC 技术得到大力发展 ,音特电子为产品提高稳定性、地球家园节能降耗深入研究、为无刷电机电子控制提供我们的完整电磁兼容解决方案!

直流电机驱动保护方案

电子控制部分
MCU控制模块
AC转DC模块
Driver驱动
电机
直流电机驱动保护方案

|
Part |
Yint’s保护器件 |
功能及标准符合 |
|
AC转DC模块 |
MOV 7D511K/10D511K/14D511K |
主要防止电源波动及感应雷击浪涌IEC61000-4-5/GB-T17626.5 |
|
NTC 5D7/5D9/5D13 |
主要保护MCU免于反向电动势干扰,提高DC电源纹波质量IEC61000-4-4/GB-T17626.4 |
|
|
M7/1N4007 |
高品质整流管* |
注:Mov和NTC选择需要根据电机功率及使用场景选择
* M7 选择散热优良、VF性能优良器件很重要
VH
OUT

16V

YINT_TVS

4.7k
U1

1 VERF
VH
OUT
IN
8
7
6
5
IN
2
CD TD352
VL
3 DESAT
CLAMP
TD352
OUT


GND
GND GND

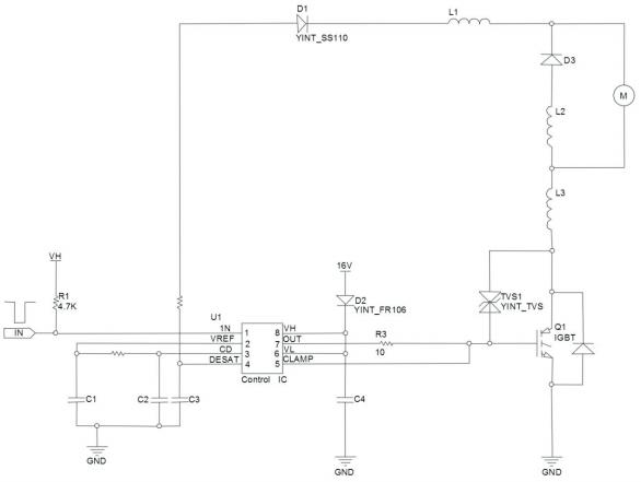
直流电机驱动保护方案
|
Part |
Yint’s保护器件 |
功能及标准符合 |
|
驱动部份Driver |
TVS SMBJ16CA/SMBJ18CA |
1)驱动 VH与GND提供16V或15V电源,防止电机启动产生的浪涌,有效保护处理芯片(特别是COMS工艺集成电路) 2)Vge/Vgs 侧米勒效应过充电压抑制,静电抑制 |
|
FR RS2M/FR106 |
VCC与VB自举电路的防倒灌保护 |
|
|
SBR SS110/SS210 |
防止串激磁场或并激磁场的干扰,反向截止IEC61000-4-4/GB-T17626.4 |

|
Part |
Yint’s保护器件 |
功能及标准符合 |
|
MOS FET/IGBT有源钳位部分 |
TVS1 P6SMB550CA/P6SMB600CA |
当IGBT或MOSFET发生上下桥或负载短路,驱动电路关闭IGBT/MOSFET造成电压尖峰时起到有源钳位 |
注:如果直流母线电压不是太高,可以由单颗TVS完成,如果电压太高,可以由多颗低压IVS串联完成,但要注意抑制串联寄生感抗避免有源钳位时过充电压过高。
