首页
EN
产品选型
EMS保护器件
TVS 瞬态抑制二极管
ESD 静电保护元件
PPTC 自恢复保险丝
TSS 半导体放电管
GDT 气体放电管
SBR 肖特基二极管
MOV 压敏电阻
NTC 功率型浪涌热敏电阻
eFuse电子保险丝 *New*
NTC 测温型浪涌热敏电阻
EMI抑制器件
共模滤波电感
功率电感
磁珠
信号类共模滤波电感-CAN FD
Sensor传感器
温度传感器模阻
PowerDevices功率器件
MOSFET
RD 整流二极管
ZD 齐纳二极管
信号隔离保护器
SPD防雷模组
电源防雷器 PSPD
信号防雷器 SSPD
电源+信号 SPD
后备保护断路器 SCB
行业方案
工业
医疗
汽车
能源基础设施
消费类电子
电子雷管
客户案例
可持续发展
产业布局
专利资质
生产管理
产品规划
我们的未来
新闻&资源
企业新闻
行业资讯
产品知识
知识学堂
关于我们
企业简介
文化理念
组织架构
发展历程
销售网络
荣誉资质
联系方式
技术支持
样品申请
技术支援
EMC测试
FAQ
交叉搜索
人才发展
职业发展
员工文化
福利待遇
招聘列表
Global
EN
首页
产品选型
EMS保护器件
EMI抑制器件
Sensor传感器
PowerDevices功率器件
信号隔离保护器
SPD防雷模组
交叉搜索
TVS 瞬态抑制二极管
ESD 静电保护元件
PPTC 自恢复保险丝
TSS 半导体放电管
GDT 气体放电管
SBR 肖特基二极管
MOV 压敏电阻
NTC 功率型浪涌热敏电阻
eFuse电子保险丝 *New*
NTC 测温型浪涌热敏电阻
共模滤波电感
功率电感
磁珠
信号类共模滤波电感-CAN FD
温度传感器模阻
MOSFET
RD 整流二极管
ZD 齐纳二极管
电源防雷器 PSPD
信号防雷器 SSPD
电源+信号 SPD
后备保护断路器 SCB
行业方案
工业
医疗
汽车
能源基础设施
消费类电子
电子雷管
工业连接与通信
工业自动化与控制
工业运动与驱动
传感与人机交互
照明
工业PLC物联网关
电力载波
工业机器人机界面 (HMI)
可编程控制器
工业控制器 I/O系统
运动控制系统变频器
运动控制器的伺服驱动器
工业报警器
传感器
智能灯
景观灯
糖尿病医疗保健
医院病人护理
体外诊断
血糖监测仪
牙科医疗设备
制氧机
血压监护仪
脉动式血氧计
耳鸣耳聋综合诊疗设备
医疗输液泵
医疗电动椅
电动床
CPAP呼吸机
心电图(ECG)
便携式血凝仪
半自动血栓弹力图仪
免疫测定分析仪
粪便分析仪
流式细胞仪
分子分析仪
ADAS
车身电子设备
汽车门禁及安全系统
热管理
汽车照明
车身域控制器
汽车娱乐系统
汽车电源
车内摄像头模块
后视镜更换/摄像头后视镜系统
前置摄像头
后门模块
雨刮器
脚踢模块
PEPS
热泵模块
车内照明灯
前照灯 自适应LED 驱动模块
前照灯 HB LB LED 驱动模块
小灯
尾灯
区域控制模块
域网关
汽车USB充电
高级音频
汽车显示屏
车载电池充电器
12V48V配电盒
48V新能源系统
储能系统
充电桩
智能电表
智能断路器
电网自动化
微型逆变器
不间断电源
电池管理系统BMS
直流充电桩
交流充电桩
燃气表
电表
水表
智能配电盘
固态断路器(SSCB)
工业断路器
GFCI/RCD断路器
DFCI断路器
AFCI断路器
故障指示器(FI)
电源品质测定器
电能质量分析仪
电网资产监测
高压直流输电
个人计算与娱乐
智能家居与物联网
个人出行与无人机
电源与充电
VR眼镜
台式电脑
智能快递柜
智能锁
两轮车定位器
E-BIKE
无人机
PD
数码电子雷管
电子雷管
技术支持
技术支持
超过千家合作客户,20年服务经验,从选型到技术支持我们都能为您提供
样品申请
技术支援
EMC测试
FAQ
交叉搜索
可持续发展
可持续发展
持续创新、引领行业进步是我们不屈的使命。
产业布局
专利资质
生产管理
产品规划
我们的未来
新闻&资源
新闻&资源
时刻与您分享我们的一点一滴
企业新闻
行业资讯
产品知识
知识学堂
关于我们
关于我们
音特电子集技术研发、芯片制造、封装测试、销售和服务于一体
企业简介
文化理念
组织架构
发展历程
销售网络
荣誉资质
客户案例
联系方式
人才发展
人才发展
一同释放潜力,塑造人类健康未来
职业发展
员工文化
福利待遇
招聘列表
选择型号搜索
|
交叉搜索
产品选型
首页
产品选型
EMS保护器件
EMS保护器件
EMI抑制器件
Sensor传感器
PowerDevices功率器件
信号隔离保护器
SPD防雷模组
GDT 气体放电管
TVS 瞬态抑制二极管
ESD 静电保护元件
PPTC 自恢复保险丝
TSS 半导体放电管
GDT 气体放电管
SBR 肖特基二极管
MOV 压敏电阻
NTC 功率型浪涌热敏电阻
eFuse电子保险丝 *New*
NTC 测温型浪涌热敏电阻
概述
产品参数
封装信息
产品推荐
封装
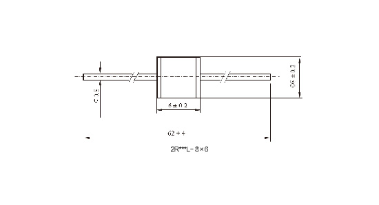
尺寸图
View
View
GDT 气体放电管
2R600L-8×6
本款2R600L-8×6直插气体放电管依托气体电离放电原理,遭遇雷击等过压冲击时快速击穿导通,高效泄放雷击浪涌电流,电压恢复后自动熄弧绝缘;通流容量大、漏电流小、耐温性好,雷击防护效果优异;两端(二极)结构,线型引脚,直径8mm、长度6mm,广泛应用于通信、电源、安防、工控等领域的电路防雷防静电保护
数据手册
样品申请
产品参数
Package
DIP
DC Breakdown Voltage (100V/s V)
600.00
Toleranceof Vs
±20%
Impulse Spark-over Voltage 1KV/μs (V)
1400.00
Impulse Discharge Current 10hits 8/20μs (KA)
10.00
Capacitance 1MHz (pF)
1.00
Status
Active
封装信息
包装类型
插件
包装规格
8×6 mm
组件重量(克)
包装信息
包带包装:1000个/包
相似产品推荐
零件编号
类别
封装
状态
数据表
P0080DA
TSS 半导体放电管
SOD-123FL
Active
下载
P0220DA
TSS 半导体放电管
SOD-123FL
Active
下载
P0300DA
TSS 半导体放电管
SOD-123FL
Active
下载
P0400DA
TSS 半导体放电管
SOD-123FL
Active
下载
P0450DAS
TSS 半导体放电管
SOD-123FL
Active
下载
P0640DA
TSS 半导体放电管
SOD-123FL
Active
下载
P0720DA
TSS 半导体放电管
SOD-123FL
Active
下载
P0900DA
TSS 半导体放电管
SOD-123FL
Active
下载
P1100DA
TSS 半导体放电管
SOD-123FL
Active
下载
P1300DA
TSS 半导体放电管
SOD-123FL
Active
下载
相关应用
交流充电桩
相关资讯
技术支持/联系我们
电话:+86 021-22817269
邮箱:sales@yint.com.cn